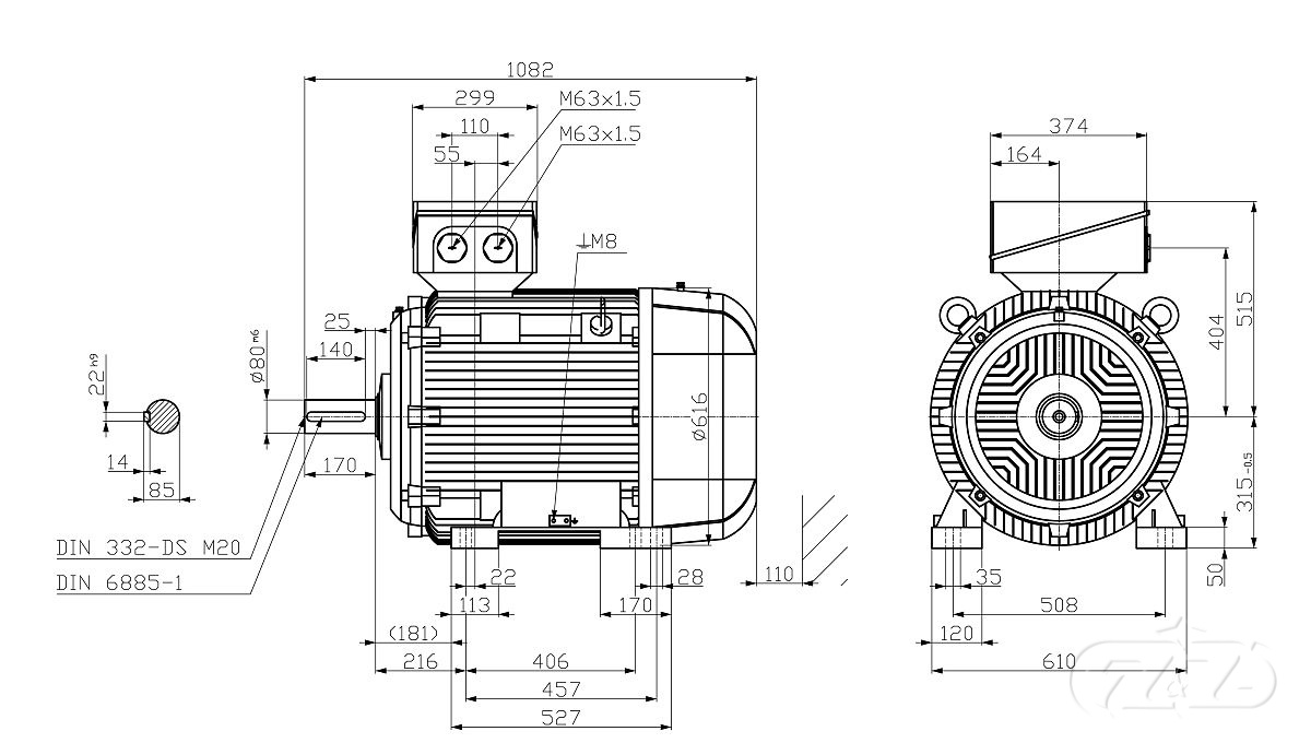
Elektromotor INNOMOTICS, 110kW, 1488ot., 1LE1603-3AB03-4AB4
- TOP produkt

Zpět
Další
- Kompletní specifikace
Elektromotor INNOMOTICS, 110kW, 1488ot., 1LE1603-3AB03-4AB4224 893 Kč/ ks185 862 Kč bez DPH
Kompletní specifikace
Velikost (osová výška): 315
Výkon: 110 kW
Otáčky: 1488 min-1
Napětí: 400/690V, 50Hz
Ložisko strana D 6319 C3
Ložisko strana ND 6319 C3
Krytí: IP55
Vyvážení motoru: stupeň vibrací A
Standardní nátěr: odstín RAL 7030
Váha: 760kg
OBVYKLÁ DODACÍ LHŮTA: 4-6 TÝDNŮ
Zboží zařazeno v kategoriích

