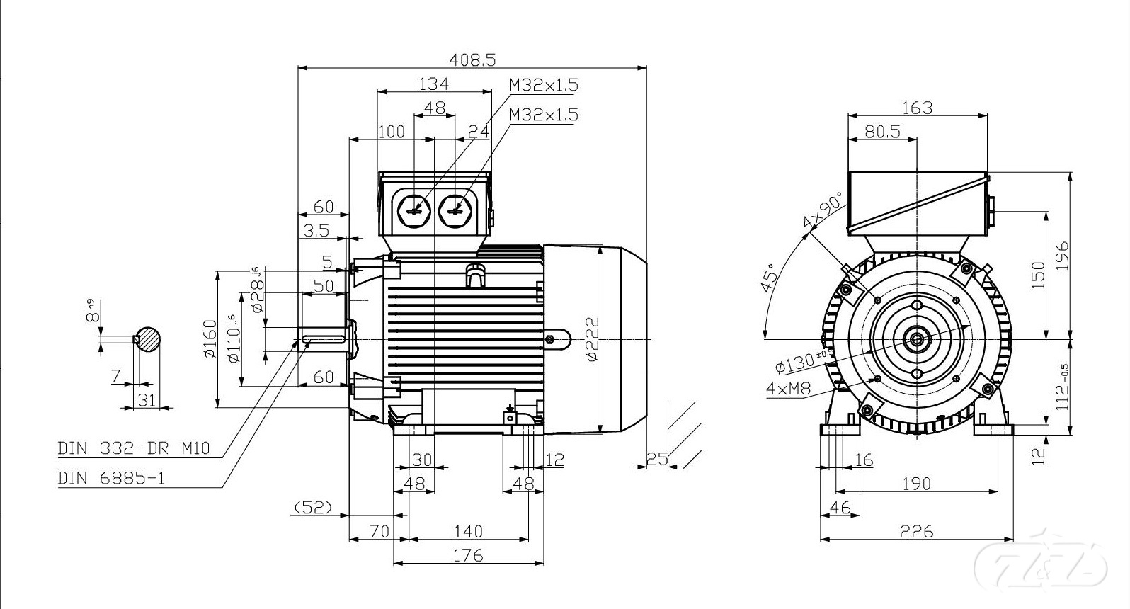
Elektromotor SIEMENS 1,5kW, 720ot., 1LE1603-1BD22-2NB4
- TOP produkt

Zpět
Další
- Kompletní specifikace
Elektromotor SIEMENS 1,5kW, 720ot., 1LE1603-1BD22-2NB419 511 Kč/ ks16 125 Kč bez DPH
Kompletní specifikace
Velikost (osová výška): 112
Výkon: 1,5 kW
Otáčky: 720 min-1
Napětí: 230/400V, 50Hz
Ložisko strana D 6306 2ZC3
Ložisko strana ND 6306 2ZC3
Krytí: IP55
Vyvážení motoru: stupeň vibrací A
Standardní nátěr: odstín RAL 7030
Váha: 46kg
OBVYKLÁ DODACÍ LHŮTA: 5-12 TÝDNŮ
Zboží zařazeno v kategoriích

