Elektromotor INNOMOTICS, 0,37kW, 2850ot., 1MB1533-0CA22-2JA4

Zpět
Další
- Kompletní specifikace
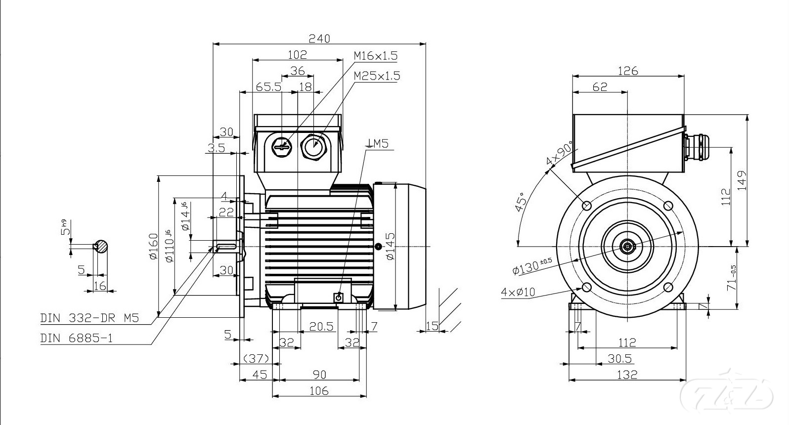
Elektromotor INNOMOTICS, 0,37kW, 2850ot., 1MB1533-0CA22-2JA47 404 Kč/ ks6 119 Kč bez DPH
Kompletní specifikace
Třída nevýbušnosti: Ex ec IIC T3 Gc
Velikost (osová výška): 71
Výkon: 0,37 kW
Otáčky: 2850 min-1
Napětí: 230/400V, 50Hz
Ložisko strana D 6202 2ZC3
Ložisko strana ND 6202 2ZC3
Krytí: IP55
Vyvážení motoru: stupeň vibrací A
Standardní nátěr: odstín RAL 7030
Váha: 13kg
OBVYKLÁ DODACÍ LHŮTA: 4-7 TÝDNŮ
Zboží zařazeno v kategoriích

