Elektromotor SIEMENS 0,25kW/0,95kW, 1LE1011-0DP33-4NA4

Zpět
Další
- Kompletní specifikace
Elektromotor SIEMENS 0,25kW/0,95kW, 1LE1011-0DP33-4NA47 625 Kč/ ks6 302 Kč bez DPH
Kompletní specifikace
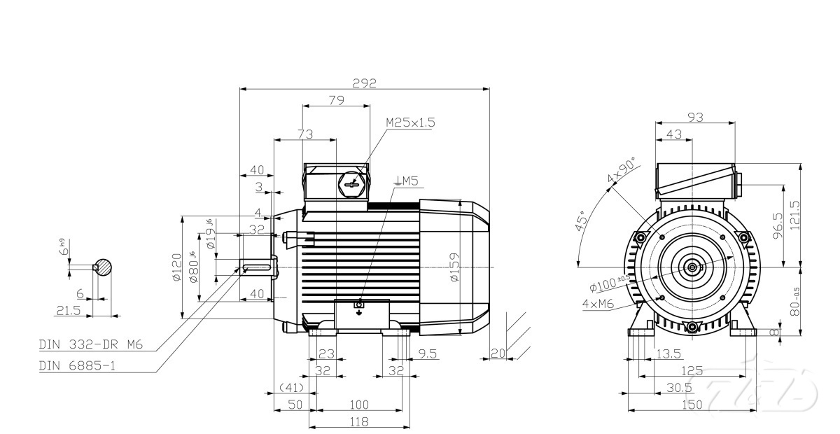
Velikost (osová výška): 80
Výkon: 0,25/0,95 kW
Otáčky: 1385/2780 min-1
Napětí: 400V, 50Hz
Ložisko strana D 6004 2ZC3
Ložisko strana ND 6004 2ZC3
Krytí: IP55
Vyvážení motoru: stupeň vibrací A
Standardní nátěr: odstín RAL 7030
Váha: 12kg
OBVYKLÁ DODACÍ LHŮTA: 8-14 TÝDNŮ
Zboží zařazeno v kategoriích

