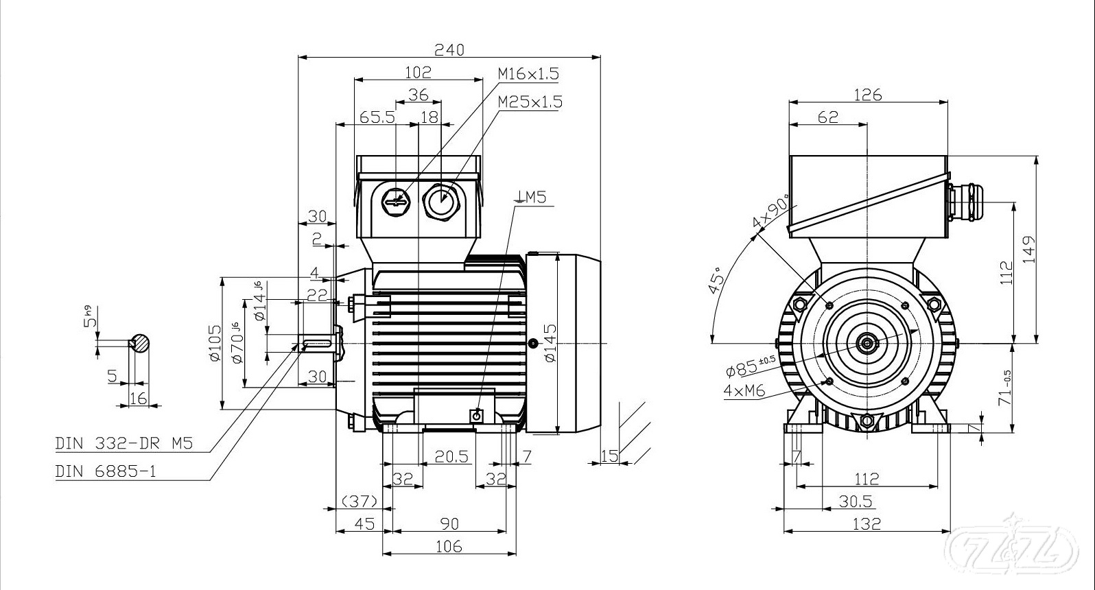
Elektromotor INNOMOTICS, 0,18kW, 885ot., 1MB1533-0CC22-2NA4

Zpět
Další
- Kompletní specifikace
Elektromotor INNOMOTICS, 0,18kW, 885ot., 1MB1533-0CC22-2NA47 471 Kč/ ks6 174 Kč bez DPH
Kompletní specifikace
Třída nevýbušnosti: Ex ec IIC T3 Gc
Velikost (osová výška): 71
Výkon: 0,18 kW
Otáčky: 885 min-1
Napětí: 230/400V, 50Hz
Ložisko strana D 6202 2ZC3
Ložisko strana ND 6202 2ZC3
Krytí: IP55
Vyvážení motoru: stupeň vibrací A
Standardní nátěr: odstín RAL 7030
Váha: 12,5kg
OBVYKLÁ DODACÍ LHŮTA: 4-5 TÝDNŮ
Zboží zařazeno v kategoriích

